✖
Закрыть
-
Мебельная фурнитура
- Ящики СТАРТ и направляющие
- Зеркалодержатели
- Замки мебельные
- Крючки мебельные BOYARD
- Кухонные аксессуары
- Навесы кухонные
- Петли мебельные
- Подъемные механизмы
- Полкодержатели
- Ручки мебельные BOYARD
- Трубы
Назад
- Фурнитура Blum
- AVENTOS - подъемные механизмы
- Навесы, стяжки, ограничители
- Петли Blum
- Система выдвижения LEGRABOX
- Направляющие скрытого монтажа
- Системы выдвижения TANDEMBOX
- Шаблоны, станки и приспособления
- Технологии движения
- Системы выдвижения MERIVOBOX
Назад
- ЛДСП/МДФ
- ЛДСП EXTRAVERT
- МДФ ETERNO
- Кромка к МДФ ETERNO
- Кромка ABS Slotex DUCO
- Кромка ПВХ MF-Group
- Кромка ПВХ/ABS (REHAU)
- ЛХДФ
- Фасадное полотно Slotex
- Кромка к МДФ РЕХАУ
- МДФ РЕХАУ
Назад
- Универсальная фурнитура
- Клей, герметик, скотч
- Реставрационные материалы
- Евровинты, эксцентрики
- Заглушки для компьютерных столов
- Заглушки пластиковые
- Заглушки самоклеющиеся
- Саморезы, винты для ручек
- Стяжки, металлические уголки
- Складные механизмы
Назад
- Компакт-плита HPL
- Столешницы и комплектующие
- Кромка для столешниц
- Мебельные щиты
- Планки для мебельных щитов
- Планки для столешниц
- Пристеночный бортик
- Столешницы
- Плинтус-планка h
Назад
- Бытовая техника
- Комплектующие и аксессуары
- Мелкая бытовая техника
- Варочные панели
- Духовые шкафы
- Кухонные вытяжки
- Микроволновые печи
- Посудомоечные машины
- Стиральные машины
- Холодильники
- Сплит-системы
Назад
- Мойки кухонные
- Цокольные системы
- Мебельное освещение
- Комплектующие для шкафов
- Вешало-штанга, крепления
- Комплектующие
- Каркасно-модульная система "ЛОФТ"
- Корзины сетчатые
- Наполнение для шкафов-купе
- Полки сетчатые
- Стойки, крепления
- Уголки монтажные
- Cтеллажная система «LINE System»
- Корзины для белья откидные
- Шлегель
Назад
- Система Joker
- Профиль Алюминиевый PREMIAL
- Мебельная фурнитура
- Фурнитура Blum
- ЛДСП/МДФ
- Универсальная фурнитура
- Компакт-плита HPL
- Столешницы и комплектующие
- Бытовая техника
- Мойки кухонные
- Цокольные системы
- Мебельное освещение
- Комплектующие для шкафов
- Система Joker
- Профиль Алюминиевый PREMIAL
- Ручка профиль GOLA
- Каркасная мебель Loft
- Мерч и Образцы
- Опоры и подпятники
КАТАЛОГ ТОВАРОВМебельная фурнитура Фурнитура Blum ЛДСП/МДФ Универсальная фурнитура Компакт-плита HPL Столешницы и комплектующие Бытовая техника Мойки кухонные Цокольные системы Мебельное освещение Комплектующие для шкафов Система Joker Профиль Алюминиевый PREMIAL Ручка профиль GOLA Каркасная мебель Loft Мерч и Образцы Опоры и подпятники0- Мебельная фурнитура
- Фурнитура Blum
- ЛДСП/МДФ
- Универсальная фурнитура
- Компакт-плита HPL
- Столешницы и комплектующие
- Бытовая техника
- Мойки кухонные
- Цокольные системы
- Мебельное освещение
- Комплектующие для шкафов
- Система Joker
- Профиль Алюминиевый PREMIAL
- Ручка профиль GOLA
- Каркасная мебель Loft
- Мерч и Образцы
- Опоры и подпятники
КАТАЛОГ ТОВАРОВМебельная фурнитура Фурнитура Blum ЛДСП/МДФ Универсальная фурнитура Компакт-плита HPL Столешницы и комплектующие Бытовая техника Мойки кухонные Цокольные системы Мебельное освещение Комплектующие для шкафов Система Joker Профиль Алюминиевый PREMIAL Ручка профиль GOLA Каркасная мебель Loft Мерч и Образцы Опоры и подпятники- Мебельная фурнитура
- Фурнитура Blum
- ЛДСП/МДФ
- Универсальная фурнитура
- Компакт-плита HPL
- Столешницы и комплектующие
- Бытовая техника
- Мойки кухонные
- Цокольные системы
- Мебельное освещение
- Комплектующие для шкафов
- Система Joker
- Профиль Алюминиевый PREMIAL
- Ручка профиль GOLA
- Каркасная мебель Loft
- Мерч и Образцы
- Опоры и подпятники
КАТАЛОГ ТОВАРОВБлаговещенскМебельная фурнитура Фурнитура Blum ЛДСП/МДФ Универсальная фурнитура Компакт-плита HPL Столешницы и комплектующие Бытовая техника Мойки кухонные Цокольные системы Мебельное освещение Комплектующие для шкафов Система Joker Профиль Алюминиевый PREMIAL Ручка профиль GOLA Каркасная мебель Loft Мерч и Образцы Опоры и подпятникиВыберите ближайший к Вам склад
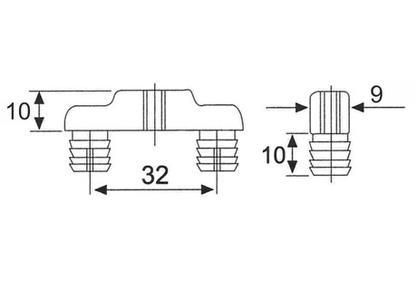
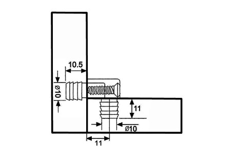
Мебельная фурнитура Фурнитура Blum ЛДСП/МДФ Универсальная фурнитура Компакт-плита HPL Столешницы и комплектующие Бытовая техника Мойки кухонные Цокольные системы Мебельное освещение Комплектующие для шкафов Система Joker Профиль Алюминиевый PREMIAL Ручка профиль GOLA Каркасная мебель Loft Мерч и Образцы Опоры и подпятники0Универсальная фурнитура>Евровинты, эксцентрики>Спец. стяжка, трапецивидная, под запрессовку (1000) ВЫВОДСпец. стяжка, трапецивидная, под запрессовку (1000) ВЫВОДХарактеристикиОписаниеАртикул 26216Артикул поставщика ST09/01/2/W/01Под заказ НетБазовая единица штST09 - это новая трапециевидная стяжка, которая служит и как элемент крепления основных деталей мебельного корпуса, и как надежный полкодержатель. За счет своей конструкции она создаёт между деталями идеально прямой угол, что сводит на минимум производственные погрешности. Она предельно проста в установке, для монтажа необходимо сделать всего по 2 отверстия под футорки в каждой из деталей, после чего установить стяжку и собрать детали простым наложением. Между собой корпус стяжки соединяется поставляющимся в комплекте евровинтом.
Код товара:Добавить в избранное
26216 В наличии
Способы оплаты:
Оплата в офисе (наличными, безнал.) Банковский перевод для ИП, ООО Онлайн-оплата (Visa, MasterCard, Мир)
Способы доставки:
По городу: 1000 руб.
Самовывоз: ул. Мухина 150
КалькуляторыПродажа мебельной фурнитуры
и комплектующих в Благовещенске
ИП Спицын А.А
ИНН 280113811158
ОГРНИП 305280129000038
Р/С 40802810903000002353
БИК 040813608
ДАЛЬНЕВОСТОЧНЫЙ БАНК ПАО СБЕРБАНКВарианты оплаты

Оставляя заявку на сайте mf-group.ru,
Вы даете свое согласие на обработку
персональных данных и соглашаетесь
с политикой конфидециальности.Адрес675029, Амурская область,
г.Благовещенск, ул.Мухина, 150
Режим работыПн. – Пт.: с 9:00 до 18:00
Сб.: с 9:00 до 17:00 Вс.: выходнойКонтактыПродажа мебельной фурнитуры
и комплектующих в Благовещенске
ИП Спицын А.А
ИНН 280113811158
ОГРНИП 305280129000038
Р/С 40802810903000002353
БИК 040813608
ДАЛЬНЕВОСТОЧНЫЙ БАНК ПАО СБЕРБАНКВарианты оплаты

Оставляя заявку на сайте mf-group.ru,
Вы даете свое согласие на обработку
персональных данных и соглашаетесь
с политикой конфидециальности.Адрес675029, Амурская область,
г.Благовещенск, ул.Мухина, 150
Режим работыПн. – Пт.: с 9:00 до 18:00
Сб.: с 9:00 до 17:00 Вс.: выходнойКонтакты
Продажа мебельной фурнитуры
и комплектующих в Благовещенске
Адрес675029, Амурская область,
г.Благовещенск, ул.Мухина, 150
Режим работыПн – Пт
с 9:00 до 18:00
Сб
с 9:00 до 17:00
Вс
выходнойКонтактыВарианты оплаты

Оставляя заявку на сайте mf-group.ru,
Вы даете свое согласие на обработку
персональных данных и соглашаетесь
с политикой конфидециальности.ИП Спицын А.А
ИНН 280113811158
ОГРНИП 305280129000038
Р/С 40802810903000002353
БИК 040813608
ДАЛЬНЕВОСТОЧНЫЙ БАНК ПАО СБЕРБАНК© 2018-2026 Интернет-магазин МФ-Групп. Все права защищены

+7 (4162) 77-07-06
+7 (924) 841-06-06